电路保护
在以上情况中,可以加设电路保护以减低切换时的金属转移。如下图所示的是一个非常典型的电路,电容有时可能只有几Pf(皮法),这种情况可以从mf(毫发)范围内的寄生电容或实际电容性的元件上找原因。电路内的电容器会储存电荷,它本身的性质决定了它倾向于尽可能快的释放所有电荷。在电路没有加设一些电阻或阻抗时,这种现象是不可避免的。

直接切换电容时,突然流入的高电流会迅速的损坏开关
加设电阻或感应器可以减低突入电流并降低开关的耗损

公式#2 和公式#3 陈述了一个电容电路的电压和电流,而公式#3 是陈述电容性的放电比率
R: 电路电阻
q: 充电
t: 时间
c: 电容
i: 电流
v: 电压
当干簧管触点闭合时,应尽量避免或降低突入电流。如果您的电路容许磁簧开关线路内直接加设串联电阻,那是最佳的选择。在上图中电阻值越大越好,在电路上使用感应器或加上电感,也同样有效。感应器能在阻止最初的电流流入以减小突入电流。此时有一点需要留意的,一定要小心计算一个平衡点,不可配用太多的电感,以防影响到开关效能及在开关打开时会产生的其它问题。
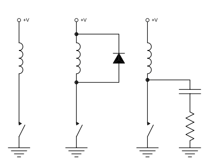
切换电感负载如继电器,螺线管,线圈计算器,小型马达或电感电路等都需要防护电路去延长干簧开关的寿命(见下图)。公式#1 描述感应性的关系。一旦电流流过电感器,它会倾向维持这个电流,如果这电流突然间终结,公式#1内的di/dt可以变得很大,这净效应可以由大的电流流经过开关造成。在开关打时,电弧放电会随之而起,如果这电弧放电持续产生则会造成开关破裂。很多时候可通过加设RC 网络和二极管遏抑器令双方互相抑制(见下图)。

突然开放一个带有电感器的电路会产生一道很大的逆电压
加设一个同线圈并列的二极管可以减低这电压
一个穿过开关RC 网络也能起到同样的作用
突入电流负荷
当电灯负荷刚起动时也会产生非常高的突入电流。目前典型的钨丝是用在小型的电灯泡内,当灯泡启动时,会承受到比通常操作电流高10倍的突入电流(见图#50)。在电灯内加设一连串电阻可以有效地减低突入电流并在延长干簧开关的寿命起到重要作用。
另外一个方案,如图#50 所示,是加设一组并联的电阻器穿开关。于这情况下,微量的电流会流经过灯丝来维持热度和高阻值,这电流是平衡的,此时灯丝不会有发强光的现象出现。现在当干簧管被激活时,开关电流会接近它的稳态电流。

由于钨丝本身是冷的,当电灯第一次开启时会有一道非常高的突入电流产生,加设连串电阻可以减低突入电流。如在开关加设一组并联的电阻器,这样可以容许一道微量电流流动,加热电灯泡的乌丝,当开关闭合时,由于乌丝是热的,这样就不会引发起突入电流了。



